Journal of Materials Science & Technology, 2016, 32(12): 1352-1360
doi: 10.1016/j.jmst.2016.05.016
Mechanical Properties and Interfacial Interaction of Modified Calcium Sulfate Whisker/Poly(Vinyl Chloride) Composites
Wenjin Yuan1,2, Jiayang Cui1,2, Shiai Xu1,2,*,

Abstract:

Calcium sulfate whiskers (CSWs) modified with glutaraldehyde-crosslinked poly(vinyl alcohol) (PVA) or traditional surface modifiers, including silane coupling agent, titanate coupling agent and stearic acid, were used to strengthen poly(vinyl chloride) (PVC), and the morphologies, mechanical and heat resistant properties of the resulting composites were compared. The results clearly show that glutaraldehyde cross-linked PVA modified CSW/PVC composite (cPVA@CSW/PVC) has the strongest interfacial interaction, good and stable mechanical and heat resistant properties. Nielsen's modified Kerner's equation for Young's modulus is better than other models examined for the CSW/PVC composites. The half debonding angle θ of cPVA@CSW/PVC composite is lower than that of other composites except silane coupling agent modified CSW/PVC composites, indicating a very strong interfacial adhesion between cPVA@CSW and PVC. In general, cross-linked PVA is effective and environmentally friendly in modifying inorganic fillers.

Key words: Poly(vinyl chloride) composites; Calcium sulfate whisker; Surface treatment; Interface; Mechanical properties;
1. Introduction

Poly(vinyl chloride) (PVC) is one of the most commercially important polymers with a wide range of applications, such as pipes, electric cables and films[1]. The properties (e.g. stiffness, gas permeability, heat resistance, etc.) of PVC can be significantly improved by using appropriate fillers or reinforcing agents[2]. Calcium sulfate whisker (CSW) is a fiber-shaped single crystal with many desirable properties, such as high strength, high stiffness and low cost[3], making it an excellent filler for polymer matrix composites. However, despite the advantages of the incorporation of fillers into PVC[4,5], it can lead to a reduction in the mechanical properties of the composites due to incompatibility between the fillers and polymers[6,7]. The surface of fillers can be modified to improve their wettability and adhesion with the polymer matrix[8], and the commonly used surface modifiers include silane coupling agents[9,10], titanate coupling agents[11] and fatty acids[12].

Several semi-empirical models have been proposed to quantitatively characterize the interfacial adhesion between particles and matrix in particulate-filled polymer composites[13]. A new parameter, half debonding angle θ, was derived from these models to characterize the interfacial adhesion between particles and polymer matrix [14]. This parameter can be calculated from the yield strength, and it is equal to 90° in the case of no interfacial adhesion and approaches 0° in the case of perfect interfacial adhesion. Most studies on this topic have focused on spherical particle filled polypropylene (PP)[15], PVC composites[13] or needle-like clay filled polyamide (PA) composites[16]. However, as the half debonding angle depends only on the yield strength of the composite, it may be insufficient in describing the overall performance of the composite. Sun et al.[17] analyzed the effect of surface treatment of CaCO3 particles on the mechanical properties and interfacial interaction of PVC composite. The results show that nano CaCO3 particles treated with titanate had the smallest debonding angle, and sodium stearate treated nano CaCO3 particles had a smaller debonding angle than untreated nano CaCO3 particles, indicating that titanate has the best modification effect. However, to the best of our knowledge, there have been no studies investigating the whisker filled PVC composites using the half debonding angle θ.

We have previously reported an effective surface modification method for CSW based on the cross-linking reaction of poly(vinyl alcohol) (PVA) to cladding to the whisker surface[18]. The main purpose of this study is to compare the morphologies, mechanical and heat resistant properties of CSW/PVC composites modified by our method and traditional surface modification method. The theoretical models for Young's modulus of composites were applied to these CSW/PVC composites, and the half debonding angle was calculated from the tensile strength to quantitatively characterize the effect of surface treatments on the interfacial adhesion between CSW and PVC matrix.

2. Experimental
2.1. Materials

PVC (SG-5) was purchased from Dongguan Dansheng Plastic Materials Co., Ltd. (Dongguan, China); CSWs were purchased from Shanghai Fengzhu Trading Co., Ltd (Shanghai, China); organic tin, dioctyl phthalate (DOP), glyceryl monostearate (GMS), acrylic processing aid (ACR), paraffin wax, silane coupling agent (KH-550) and titanate coupling agent (NDZ-201) were commercially available, all of which were of industrial grade; stearic acid was purchased from Shanghai Lingfeng Reagent Co., Ltd. (Shanghai, China); and PVA (PVA1750) and glutaraldehyde solution were purchased from Sinopharm Chemical Reagent Co., Ltd. (Shanghai, China). The purities of these materials are listed in Table 1.


Table 1. Purities of the materials
Materials Purity
PVC, CSW, organic tin, DOP, GMS, ACR, KH-550, NDZ-201 Industrial grade
Stearic acid Analytical reagent
PVA1750 Chemical pure
Glutaraldehyde solution Biological reagent

Table 1. Purities of the materials

2.2. Preparation

2.2.1. Preparation of modified CSWs

CSWs modified by silane coupling agents (Si-CSW) were prepared as follows: 1.5 g of KH550 was pre-hydrolyzed in 95 wt% ethanol solution and 50 g of dried CSWs was added sequentially into a 500 mL three-necked round-bottom flask fitted with a mechanical overhead stirrer, and then ammonia was added until the pH reached 9. The mixture was stirred at 75 °C for 4 h, and then the obtained products were dried under vacuum at 100 °C for 2 h to remove excess water.

CSWs modified by titanate coupling agent (Ti-CSW) or stearic acid (SA-CSW) were prepared by a similar procedure, except that pH adjustment was not required.

cPVA@CSWs were prepared as described in our previous study[18]: PVA aqueous solution and dried CSW were added sequentially into a three-necked round-bottom flask. Then, the glutaraldehyde solution (cross-linking agent) and sulfuric acid solution (pH adjuster) were added, and the mixture was stirred at room temperature for 1 h. The obtained products were dried under vacuum at 80 °C for 2 h to complete the cross-linking reaction and remove excess water.

2.2.2. Preparation of the composites

The composites were prepared as described in our previous study[18]: PVC resin (100 phr) was mixed with various contents of CSW or modified CSW using organic tin (2 phr) as the heat stabilizer and DOP (4 phr) as the plasticizer. GMS (0.6 phr), ACR (4 phr) and paraffin wax (0.4 phr) were then added. All PVC constitutes were mixed uniformly and processed using a two-roll mill at 170 °C. At last, the resultant compound was molded into rectangular sheets by compression molding at 170 °C and 10 MPa for 5 min using a plate vulcanizing press.

2.3. Characterization

2.3.1. Characterization of modified CSWs

The activation indexes of CSWs were determined as follows: 5.00 g of CSW and 200 mL of deionized water were added sequentially into a separatory funnel and shaken at 120 times/min for 1 min. Then the mixture was allowed to stand for 10 min, and the settling whiskers removed from the mixture were dried and weighed. The activation index was calculated using the formula bellow:

ω=(1-m/m0)×100%

where ω is the activation index of the whiskers, m is the mass of the settling whiskers, and m0 is the initial mass of the whiskers.

The surface morphologies of modified CSWs were observed by scanning electron microscopy (SEM, S-3400N, Hitachi, Japan). The whiskers were coated with a thin gold layer before testing.

2.3.2. Mechanical properties

The tensile properties were determined on an MTS E44 universal testing machine in accordance with ISO 527, and the notched impact strength was determined on a CEAST 9050 tester according to ISO 179. The means and standard deviations were calculated from at least five independent tests for each sample.

2.3.3. Morphologies of the composites

The tensile fracture surfaces of the composites were characterized by SEM (S-4800, Hitachi, Japan). Prior to SEM observation, the fracture surfaces were coated with a thin gold layer.

2.3.4. Heat resistance properties

Vicat softening temperatures (VST) were measured under a load of 10 N at a heating rate of 120 °C/h using a VST tester (ZWK1302-B, MTS, China) according to ISO 306: 2004.

3. Results and Discussion
3.1. Properties of modified CSWs

The activation indexes of modified CSWs are listed in Table 2. It shows that cPVA@CSW has the highest activation index, and thus it has the best modification effect. The activation indexes of traditionally modified CSWs are slightly lower than that of cPVA@CSW, but still higher than that of the unmodified CSW.

Fig. 1 shows the surface morphologies of different modified CSWs. The diameters of modified whiskers are decreased to varying degrees as compared with that of unmodified whiskers. Si-CSW has relatively fewer fractured whiskers. The surface of cPVA@CSW is much rougher than that of other whiskers and there are many whiskers with a high aspect ratio. Although there are some small whiskers, they are all coated with cPVA and have strong interfacial interaction with the PVC matrix. In general, their combination has a favorable effect on the performance of the composite. Ti-CSW and SA-CSW have more fractured whiskers, resulting in a decrease in the mechanical properties.


Table 2. Activation indexes of different modified CSWs
Sample CSW cPVA@CSW Si-CSW Ti-CSW SA-CSW
ω (%) 19.27 23.28 23.05 20.16 22.38

Table 2. Activation indexes of different modified CSWs

Fig. 1. SEM images of the surface morphologies of (a) CSW, (b) cPVA@CSW, (c) Si-CSW, (d) Ti-CSW and (e) SA-CSW.

3.2. Mechanical performance

Fig. 2 shows that the Young's modulus of the composites increases with increasing whisker content, resulting in an increase in the stiffness of the composites. However, it is important to note that the tensile strength decreases with increasing whisker content, because the increase in whisker content may lead to poor dispersion and significant agglomeration of CSWs in the PVC matrix and thus weak interfacial adhesion between whiskers and matrix. As a consequence, the load bearing capacity of the cross-sectional area of the composites decreases, and only a small amount of stress could be transferred from the matrix to the whisker surface. In this case, agglomerated whiskers can easily debond from the matrix and thus could not bear any fraction of external load, resulting in a decrease in tensile strength[19]. A similar phenomenon was also reported for many other polymer based composites[19], [20,21].

Fig. 2. (a) Tensile strength and (b) Young's modulus of the composites with different CSW contents.

Si-CSW/PVC, Ti-CSW/PVC, SA-CSW/PVC and cPVA@CSW/PVC composites with different CSW contents were prepared to compare the reinforcing effects of our method and traditional surface modification. In general, cPVA@CSW/PVC composite performs best, especially at a low whisker content. The mechanical performance of Si-CSW/PVC, Ti-CSW/PVC, and SA-CSW/PVC composites is poorer and fluctuates significantly, and the tensile strength and Young's modulus of the composites with 5 wt% CSWs are lower than those of unmodified CSW/PVC composite. However, the mechanical properties of cPVA@CSW/PVC composite are significantly improved[18]. This is because traditional methods are mainly conducted under vigorous stirring and high temperatures, leading to defects on the whisker surface; while our method is simpler and more environmentally friendly, and thus can be a better choice for the modification of fillers.

Fig. 3 shows the Izod impact strengths of CSW/PVC, Si-CSW/PVC, Ti-CSW/PVC, SA-CSW/PVC and cPVA@CSW/PVC composites with different CSW contents. The impact strength is increased from 4.71 kJ m-2 for pure PVC to 6.67 kJ m-2 for CSW/PVC, and further to 11.61 kJ m-2 for cPVA@CSW/PVC with 5 wt% CSWs. The impact strength of other modified CSW/PVC composites is also improved as compared with that of unmodified CSW/PVC. Therefore, the impact property of PVC can be improved by modified CSWs, especially cPVA@CSW. The impact strength increases with the increase of whisker content from 5 to 30 wt%, indicating that CSW acts as a toughness filler for the PVC matrix and can significantly improve the toughness of the composites. Zhang et al.[22] also showed that the impact strength of TiO2/PVC composite increased with TiO2 content up to 40 phr.

Fig. 3. Impact properties of the composites with various CSW contents.

The toughening mechanism of CSWs can be described as follows[23]. It is known that the polymer matrix tends to develop cracks along or through the whiskers under the impact force. In the former case, the crack propagation path is increased and thus more energy is consumed; while in the latter case, more energy is also consumed due to the much higher intensity of the whiskers than the matrix, thus contributing to improving the impact strength of the composites. In the case of a large angle between the crack and the whisker orientation, the matrix tends to yield and the whiskers tend to debond from the matrix, consuming part of the energy and thus improving the toughness of the composites. The interfacial interaction of cPVA@CSW/PVC composite is stronger than that of unmodified CSW/PVC composites, and thus more energy is consumed during crack propagation or the pulling out of whiskers, which contributes to the improvement of the impact strength.

3.3. Interfacial morphology

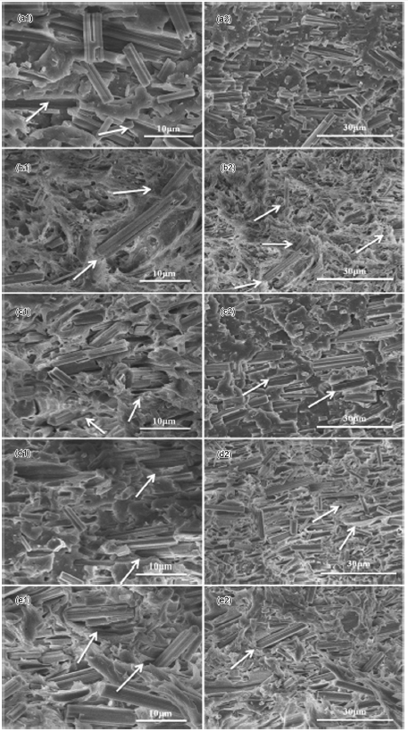
The dispersion state of CSWs in the polymer matrix is critical for the mechanical properties of the composites. Fig. 4 shows the SEM images of the tensile fracture surfaces of CSW/PVC, Si-CSW/PVC, Ti-CSW/PVC, SA-CSW/PVC and cPVA@CSW/PVC with 5 or 10 wt% whisker. Whisker pullouts and the gaps between whiskers and matrix are observed on the untreated CSW (indicated by arrows in Fig. 4(a1)). The cPVA@CSW composite is attached to the PVC matrix with a rough and adhesive interface (Fig. 4(b1)). For Si-CSW/PVC (Fig. 4(c1)), Ti-CSW/PVC (Fig. 4(d1)) and SA-CSW/PVC (Fig. 4(e1)) composites, the interactions between whiskers and matrix are enhanced to different extents, but voids and gaps are still observed. Agglomeration becomes more obvious in unmodified CSW/PVC composites with the increase of whisker content up to 10 wt% (Fig. 4(a2)), because the hydrophobic polymer does not wet or interact with the hydrophilic fillers due to their differences in surface energy, leading to the formation of agglomerates. This problem is less pronounced for traditionally modified CSW/PVC composites. However, there are still some agglomerates in Si-CSW (Fig. 4(c2)) and SA-CSW (Fig. 4(e2)) composites, and smooth pullout and gaps in Ti-CSW/PVC composite (Fig. 4(d2)). No whisker bundles or agglomerates are observed in cPVA@CSW/PVC composite (Fig. 4(b2)). Instead, there is a good dispersion of whiskers in the matrix and a strong bonding interaction between whiskers and matrix, indicating that cross-linked PVA has a significant modification effect on the whiskers, because the strong polarity of PVA aqueous solution leads to a strong interaction of the hydroxyl groups with whiskers during the modification. More importantly, for the cPVA@CSW/PVC composite, the hydroxyl and ether groups formed on the surface of modified whiskers during the cross-linking have a strong electrostatic interaction with PVC matrix[18], and the hydroxyl groups of PVA can form a weak hydrogen bonding with the chlorine atoms of PVC[24], leading to excellent compatibility and interfacial adhesion between whiskers and PVC. Thus, these whiskers can be dispersed more easily than the traditionally modified whiskers.

Fig. 4. SEM images of the tensile fracture surfaces for the composites with 5 wt% whisker (a1 - CSW/PVC; b1 - cPVA@CSW/PVC; c1 - Si-CSW/PVC; d1 - Ti-CSW/PVC; e1 - SA-CSW/PVC) and the composites with 10 wt% whisker (a2 - CSW/PVC; b2 - cPVA@CSW/PVC; c2 - Si-CSW/PVC; d2 - Ti-CSW/PVC; e2 - SA-CSW/PVC).

The differences in the interfacial adhesion and interaction between CSW and the matrix can be more clearly demonstrated in the composites with a high CSW content. Fig. 5 shows the morphology of the tensile fracture surfaces of the composites with 30 wt% whisker. It is clearly observed that at low magnification, unmodified CSWs are stacked with each other in a disorder way (Fig. 5(a2)), indicating poor interactions between whiskers and matrix. The matrix surface is smooth with only a slight deformation when the composites are fractured under tension. However, for cPVA@CSW/PVC composite (Fig. 5(b1, b2)), CSWs are mostly oriented along the tensile direction and there is obvious plastic deformation for the matrix. Besides, these whiskers are tightly embedded in the matrix, and thus whisker pullout is unlikely to occur during the deformation due to the strong interactions between whiskers and matrix, leading to the formation of a rough surface. No obvious plastic deformation is observed in traditionally modified CSW/PVC composites (Fig. 5(c2, d2, e2)), except a slight plastic deformation for SA-CSW/PVC composites, indicating poor interfacial interactions between whiskers and matrix in the case of a high CSW content.

Fig. 5. SEM images of the tensile fracture surfaces for the composites with 30 wt% whisker. (a1, a2) - CSW/PVC; (b1, b2) - cPVA@CSW/PVC; (c1, c2) - Si-CSW/PVC; (d1, d2) - Ti-CSW/PVC; (e1, e2) - SA-CSW/PVC.

The mechanism of each treatment is shown in Fig. 6. For Si-CSWs, the alkoxy groups on KH-550 can easily hydrolyze and react with the hydroxyl groups of CSWs. Thus, the polar amine groups are grafted to CSWs, which can interact with polar PVC and thus improve the properties of the composite. Similarly, the titanate coupling agent can also react with CSWs after hydrolyzation. However, there are many alkyl chains on NDZ-201 that react less readily with PVC. As a result, Ti-CSW/PVC composite has a relatively poor performance. For SA-CSW, the main interactions between stearic acid and CSWs are the electrostatic interaction and hydrogen bonding. Due to the long alkyl chains of stearic acid, the interfacial interaction between SA-CSWs and PVC is poor. For cPVA@CSW, the hydrophilic PVA can easily spread out on the surface of CSWs, and form strong interactions with CSWs after cross-linked by glutaraldehyde. The large amounts of polar functional groups have strong interactions with the polar PVC, leading to better properties.

Fig. 6. Mechanisms of different treatments: (a) silane, (b) titanate, (c) stearic acid and (d) cPVA.

3.4. Heat resistance property

VST reflects the moving ability of the chain segments. The more difficult it is for the chain segments to move, the higher the VST will be[25]. Fig. 7 shows that CSWs incorporated into the PVC matrix can effectively prevent the deformation of the PVC matrix due to the large length-to-diameter ratio, resulting in an increase in VST[26]. This becomes more pronounced with increasing whisker content. Besides, when the matrix softens with the increase of temperature, CSWs form a stable skeleton in the composites that may prevent the change of the shape and thus lead to increased melt flow resistance.[27] cPVA@CSW/PVC composite has a higher VST at 5-10 wt% whisker, but a lower VST at 15-30 wt% whisker than the Si-CSW/PVC composite, because the hydrogen bond strength between cPVA@CSW and PVC matrix decreases with increasing temperature[28]. Consequently, the VST of cPVA@CSW composite decreases slightly, especially at a high whisker content.

Fig. 7. Vicat softening temperatures of the composites with various contents of CSWs.

3.5. Theoretical modeling of static tensile properties

The increase in Young's modulus of the composites reinforced by rigid inorganic fillers can be described by the iso-stress rule of mixtures:

where Ec is the Young's modulus of the composite, νf is the volume fraction of the filler, and the subscripts f and m signify the filler and matrix phases, respectively.

The volume fraction of the filler is calculated by[29,30]:

where Wf is the weight percentage of the filler, and ρf and ρm are the density of the filler and matrix, respectively.

In this study, Ef =178 GPa, Em =1.551GPa, ρf =2.69g/cm3 and ρm =1.32 g/cm3, as measured by the pycnometer method. The predicted values of Young's modulus are shown as the solid line in Fig. 8. However, the test value exceeds that predicted by Eq. (1), and the difference between predicted and experimental data may be due to that the rule of mixture, which is more suitable for laminate structures, does not account for the size distribution of CSWs[13]. Alternatively, Nielsen's modified Kerner's equation for Young's modulus of the composites accounts for the filler geometry and packing fraction [31,32]:

where A is a constant depending on the geometry of the filler phase and the Poisson's ratio of the matrix, B is a constant depending on the relative stiffness of the particulate filler and the matrix, and ψ depends on the maximum packing fraction of the fillers νm.

Fig. 8. Young’s modulus of the CSW/PVC composites as a function of filler volume content and its theoretical predictions using different models.

The reduced concentration term is defined as[33]:

The Poisson's ratio of the matrix is taken to be 0.4, A is 1.25 and B is close to 1 due to the high filler-to-matrix modulus ratio. νm = 0.601 (for random close packing without agglomeration) and νm = 0.37 (for random close packing with agglomeration), which are used respectively for the fitting of the maximum packing fraction.

The best fit is obtained when νm = 0.601 for random close packing without agglomeration. However, when νm = 0.37, the fitting curve deviates significantly from the experimental data. In addition, as there is agglomeration at high whisker contents, we may assume that a small number of very strong agglomerates behave as independent particles in the composites [34].

The discrepancy between the rule of mixture and Nielsen's modified Kerner's equation arises as the former does not consider the filler geometry; whereas the latter considers not only individual filler effect rather than the iso-stress conditions, which is more appropriate for laminates, but also the particle size distribution through the maximum packing fractions.

Micromechanical modeling derived from the properties of individual components of the composite and their arrangement is a very useful tool to understand and predict the composite behavior. The well-established Voigt-Reuss model[35] and Halpin-Tsai model[35,36] are used to calculate the theoretical Young's modulus of the composites.

The Voigt-Reuss model is described by:

The Halpin-Tsai model, which takes into account the aspect ratio of the reinforcing fillers, is described by:

ηL and ηT are expressed as follows:

where lf and df are the average length and width of the fillers. In this study, lf = 85 µm and df = 5.5 µm are measured from SEM images.

The Young's modulus of the composites is plotted against the filler volume fraction in Fig. 8. It can be seen that the modulus of the composite follows neither the Voigt-Reuss model nor the Halpin-Tsai model very well, probably because these two models are mainly used to describe nanometer fillers (e.g., carbon nanotube[37] and cellulose nanofibril[38]) and not quite suitable for micrometer sized fillers.

To sum up, Nielsen's modified Kerner's equation for Young's modulus of the CSW/PVC composites is better than other models examined in this study.

3.6. Interfacial interaction of CSW/PVC composites

The mechanical properties, especially the tensile strength, of the composites are significantly affected by the interfacial adhesion between fillers and matrix. However, it is difficult to directly measure the interfacial interaction of the matrix filled with inorganic fillers[17]. Li and Liang[15,39] proposed a new parameter, half debonding angle θ, to characterize the interfacial adhesion between particles and polymer matrix. Half debonding angle is the angle between the pole of the filler and the position of debonding between the inclusion and the matrix. The relationship between the half debonding angle and the tensile strength of the composites is established by the following equation:

σycym (1-1.21sin2θνf2/3) (8)

where σyc and σym are the tensile strength of the composites and pure polymer, and θ is the half debonding angle.

The θ values of most composites lie somewhere between 0° and 90°. The smaller the half debonding angle, the stronger the interfacial adhesion. If there are some interfacial adhesions between matrix and fillers, the interfacial layer can transfer a small fraction of stress during the deformation of the matrix, and the particles can debond from the matrix with further deformation. The yield strength is determined by both adhesion strength and debonding [15]. Thus, this parameter can be used to quantitatively characterize the interfacial adhesion between particles and matrix. The linear dependence of 1-σyc/σym vs. 1.21νf2/3 for the CSW/PVC composites modified by different methods is shown in Fig. 9, and the half debonding angles calculated from the slopes of the plots are shown in Table 3. It shows that the half debonding angles of Si-CSW/PVC (56.7°) and cPVA@CSW/PVC (58.0°) are lower than those of SA-CSW/PVC (66.3°), CSW/PVC (70.0°) and Ti-CSW/PVC (77.2°), indicating that cPVA@CSW greatly improves the interfacial interaction between fillers and matrix. Although its half debonding angle is slightly higher than that of Si-CSW/PVC, cPVA@CSW/PVC composite has the best mechanical behavior in general. It can be concluded that cross-linked PVA is effective and efficient in modifying inorganic fillers.

Fig. 9. Linear dependence of 1- σycym versus 1.21νf2/3 for the CSW/PVC composites modified by different methods.


Table 3. Half debonding angles calculated from the slopes of the plots
Sample CSW/PVC cPVA@CSW/PVC Si-CSW/PVC Ti-CSW/PVC SA-CSW/PVC
θ (deg.) 70.0 58.0 56.7 77.2 66.3

Table 3. Half debonding angles calculated from the slopes of the plots

4. Conclusion

This study compares the morphologies, mechanical and heat resistant properties of CSW/PVC, cPVA@CSW/PVC, Si-CSW/PVC, Ti-CSW/PVC, and SA-CSW/PVC composites. The results show that cPVA@CSW/PVC composite has the strongest interfacial adhesion between whiskers and PVC matrix, and has excellent and stable mechanical and heat resistant properties. The Young's modulus increases with increasing whisker content, resulting in an increase in the stiffness of the composites. However, the tensile strength decreases due to significant agglomeration of the whiskers at a high content. cPVA@CSW obviously improves the VST of the composites. Nielsen's modified Kerner's equation for Young's modulus is better than other models examined in this study for CSW/PVC composites. Although the half debonding angle of cPVA@CSW/PVC composite is slightly higher than that of Si-CSW/PVC composite, it has better interfacial adhesion. In general, cross-linked PVA is an effective and environmentally friendly modification method for inorganic fillers.

Acknowledgements: This research was financially supported by the National Natural Science Foundation of China (U 1507123), the Foundation from Qinghai Science and Technology Department (2014-HZ-817) and Kunlun Scholar Award Program of Qinghai Province.

The authors have declared that no competing interests exist.

References

[1] S.Y. Fu, X.Q. Feng, B. Lauke, Y.W. Mai, Compos. Part B Eng. 39(2008) 933-961.
[Cited within:1]
[2] H. Wang, G. Xie, Z. Ying, Y. Tong, Y. Zeng,J. Mater. Sci. Technol. 31(2015)340-344.
[Cited within:1]
[3] Y. Wang, Y. Li, A. Yuan, B. Yuan, X. Lei, Q. Ma, J. Han, J. Wang, J. Chen, Cryst.Res. Technol. 49(2014) 800-807.
[Cited within:1]
[4] J. Hu, X. Jia, C. Li, Z. Ma, G. Zhang, W. Sheng, X. Zhang, Z. Wei, J. Mater. Sci. 49(2014) 2943-2951.
[Cited within:1]
[5] C. Fang, X. Liu, R. Yu, P. Liu,W. Lei,J. Mater. Sci. Technol. 30(2014) 1304-1310.
[Cited within:1]
[6] C.X. Dong, S.J. Zhu, M. Mizuno, M. Hashimoto,J. Mater. Sci. Technol. 27(2011)659-667.
[Cited within:1]
[7] Y.Wang, X. Liao, Y. Luo, Q. Yang, G. Li,J. Mater. Sci. Technol. 31(2015) 463-466.
[Cited within:1]
[8] M. Altan, H. Yildirim,J. Mater. Sci. Technol. 28(2012) 686-692.
[Cited within:1]
[9] S. Sun, C. Li, L. Zhang, H. Du, J. Burnell-Gray, Eur. Polym. J. 42(2006) 1643-1652.
[Cited within:1]
[10] S. Yun, Q. Song, D. Zhao, G. Qian, X. Li, W. Li, Appl. Surf. Sci. 258(2012)4444-4448.
[Cited within:1]
[11] C. AiWah, L. Yub Choong, G. Seng Neon, Eur. Polym. J. 36(2000) 789-801.
[Cited within:1]
[12] M.A. Osman, A. Atallah, Macromol. Chem. Phys. 208(2007) 87-93.
[Cited within:1]
[13] I. Kemal, A. Whittle, R. Burford, T. Vodenitcharova, M. Hoffman, Polymer (Guildf.)50(2009) 4066-4079.
[Cited within:3]
[14] J.Z. Liang, Compos. Part B Eng. 51(2013) 224-232.
[Cited within:1]
[15] R.K.Y.Li, J.Z. Liang, Polym. Compos. 19(1998) 698-703.
[Cited within:3]
[16] E. Bilotti, R. Zhang, H. Deng, F. Quero, H.R. Fischer, T. Peijs, Compos. Sci. Technol.69(2009) 2587-2595.
[Cited within:1]
[17] S. Sun, C. Li, L. Zhang, H.L. Du, J.S.Burnell-Gray, Polym. Int. 55(2006) 158-164.
[Cited within:2]
[18] W. Yuan, J. Cui, Y. Cai, S. Xu, J. Polym. Res. 22(2015) 1-9.
[Cited within:5]
[19] C.B. Patil, U.R. Kapadi, D.G. Hundiwale, P.P. Mahulikar, J. Mater. Sci. 44(2009)3118-3124.
[Cited within:1]
[20] J.W.M.Durairaj Baskaran, M.S. Bratcher, Chem. Mater. 17(2005) 3389-3397.
[Cited within:1]
[21] X. Song, L. Zhang, J. Zhao, Y. Xu, Z. Sun, P. Li, J. Yu, Cryst. Res. Technol. 46(2011)166-172.
[Cited within:1]
[22] Y.X. Zhang, Y.H. Song, Q. Zheng, Chin. J. Polym. Sci. 31(2012) 325-332.
[Cited within:1]
[23] K.T. Faber, A.G. Evans, Acta Metall. 31(1983) 565-576.
[Cited within:1]
[24] P.I. Vincent, S. Raha, Polymer (Guildf.) 13(1972) 283-287.
[Cited within:1]
[25] L. Yang, D. Sun, Y. Li, G. Liu, J. Gao,J. Appl. Polym. Sci. 88(2003) 201-205.
[Cited within:1]
[26] Y.U. Tao, L.I. Yan, R.E.N.Jie, T. Nonferr. Metal. Soc. 19(2009) s651-s655.
[Cited within:1]
[27] K.T.Wang, Y. He, X.L. Song, X.M. Cui, Appl. Clay Sci. 114(2015) 586-592.
[Cited within:1]
[28] E.J. Moskala, S.E. Howe, P.C. Painter, M.M. Coleman, Macromolecules 17 (1984)1671-1678.
[Cited within:1]
[29] T.W. Chou, E.T. Thostenson, J. Phys. D Appl. Phys. 36(2003) 573-582.
[Cited within:1]
[30] Q.Wu, K. Chi, Y.Wu, S. Lee, Mater. Des. 60(2014) 334-342.
[Cited within:1]
[31] L.E. Nielsen, T.B. Lewis,J. Appl. Polym. Sci. 14(1970) 1449-1471.
[Cited within:1]
[32] L.E. Nielsen,J. Polym. Sci. Part B Polym. Phys. 17(1979) 1897-1901.
[Cited within:1]
[33] L.E. Nielsen, R.F. Landel, Mechanical Properties of Polymers and Composites, Marcel Dekker,New York, 1994.
[Cited within:1]
[34] K. Friedrich, E. Vassileva,J. Appl. Polym. Sci. 89(2003) 3774-3785.
[Cited within:1]
[35] R. Guzman de Villoria, A.Miravete, Acta Mater. 55(2007) 3025-3031.
[Cited within:2]
[36] J.C. Halpin, J.L. Kardos, Polym. Eng. Sci. 16(1976) 344-352.
[Cited within:1]
[37] F.H. Gojny, M.H.G.Wichmann, U. Kopke, B.Fiedler, K. Schulte, Compos. Sci.Technol. 64(2004) 2363-2371.
[Cited within:1]
[38] S. Fujisawa, T. Saito, S. Kimura, T. Iwata, A. Isogai, Compos. Sci. Technol. 90(2014)96-101.
[Cited within:1]
[39] R.K.Y.Li, J.Z. Liang, J. Appl. Polym. Sci. 77(2000) 409-417.
[Cited within:1]
Downloaded    
RichHTML Viewed    
Abstract Viewed    

Share
Export

Related articles:
Key words
Poly(vinyl chloride) composites
Calcium sulfate whisker
Surface treatment
Interface
Mechanical properties

Authors
Wenjin Yuan
Jiayang Cui
Shiai Xu